- Технические характеристики и другая информация предоставляются для справки.
- Чертежи и изображения представлены для ознакомления
Подшипник роликовый радиальный самоцентрирующийся 23222-K-MB-W 33+AHX 3222
Подшипник роликовый радиальный самоцентрирующийся 23222-K-MB-W33+AHX3222 предназначен, главным образом, для эксплуатации в условиях аксиальных воздействий. Существуют варианты в однорядном и двухрядном исполнении. В первом случае неразъемная конструкция закрепляется при помощи втулок и включает бочкообразные роликоподшипники, сепаратор, толстостенную внешнюю обойму сферической формы и внутреннее широкое кольцо с бортиками, в котором иногда располагается посадочное гнездо под цилиндрическую или коническую посадочную основу. Второй тип имеет двухрядный набор тел качения и способен к восприятию как аксиальных, так и осевых нагрузок.
Каковы отличительные черты Подшипник роликовый радиальный самоцентрирующийся 23222-K-MB-W33+AHX3222?
-  Деталь является самоцентрирующейся, то есть позволяет выравнивать перекосы, возникающие в процессе ее установки, компенсирует прогиб валов, несоосность. 
-  Применяется в барабанных лебедках, врубовых агрегатах, угольных комбайнах, мощных редукторах, шнеках, крановых скатах и так далее. 
-  Обладает высокой грузоподъемностью и износостойкостью даже при ударных темпах работы. 
В каталоге магазина для заказа онлайн доступен Подшипник роликовый радиальный самоцентрирующийся 23222-K-MB-W33+AHX3222 ГОСТ или его (аналоги ISO) и прочие высококачественные модели от компаний FAG, KOYO, NSK, SKF, SNR по доступной стоимости!
Технические характеристики
Обозначение : 23222-K-MB-W33+AHX3222
Размеры, мм : 110x200x69.8
Производитель : NKE
Диаметр внутренний, мм : 110
Диаметр наружный, мм : 200
Высота, мм : 69,8
Технические данные из каталога производителя :
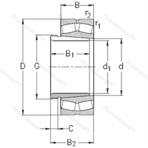
Внутренний диаметр (d) - 110 мм.
Внутренний диаметр (d1) - 105
Наружный диаметр (D) - 200 мм.
Ширина (высота) (B) - 69,8 мм.
Ширина наружной обоймы (C) - 69,8 мм.
Размер (r1 min.) - 2,1 мм.
Размер (r2 min.) - 2,1 мм.
Размер (B1) - 82 мм.
Размер (B2) - 86 мм.
Размер (C) - 11 мм.
Резьба (G) - M 120x2
Масса - 10,98 Кг
Грузоподъемность динамическая (C) - 502 кН
Грузоподъемность статическая (C0) - 706 кН
Частота вращения предельная - 3200 об/мин
Расчетный коэффициент (e) - 0,36
Расчетный коэффициент (Y0) - 1,8
Расчетный коэффициент (Y1) - 1,9
Расчетный коэффициент (Y2) - 2,7
Количество дорожек качения - 2
Уплотнение - Нет
| 
																Производитель
															 | NKE | 
| 
																Ширина B
															 | 69 | 
| 
																Внешний диаметр D
															 | 200 | 
| 
																Внутренний диаметр d
															 | 110 | 
| 
																Размер
															 | 110x200x69 | 
| 
																Вес, кг
															 | 10.98 | 
| 
																Модель
															 | 23222-K-MB-W33-AHX3222-NKE | 
| 
																SKU
															 | 23222-K-MB-W33-AHX3222-NKE | 
Похожие по размеру
Оформить заказ на нашем сайте легко. Просто добавьте выбранные товары в корзину, а затем перейдите на страницу Корзина, проверьте правильность заказанных позиций и нажмите кнопку «Оформить заказ» или «Быстрый заказ».
Функция «Быстрый заказ» позволяет покупателю не проходить всю процедуру оформления заказа самостоятельно. Вы заполняете форму, и через короткое время вам перезвонит менеджер магазина. Он уточнит все условия заказа, ответит на вопросы, касающиеся качества товара, его особенностей. А также подскажет о вариантах оплаты и доставки.
По результатам звонка, пользователь либо, получив уточнения, самостоятельно оформляет заказ, укомплектовав его необходимыми позициями, либо соглашается на оформление в том виде, в котором есть сейчас. Получает подтверждение на почту или на мобильный телефон и ждёт доставки.
Если вы уверены в выборе, то можете самостоятельно оформить заказ, заполнив по этапам всю форму.
Выберите из списка название вашего региона и населённого пункта. Если вы не нашли свой населённый пункт в списке, выберите значение «Другое местоположение» и впишите название своего населённого пункта в графу «Город». Введите правильный индекс.
	 В зависимости от места жительства вам предложат варианты доставки. Выберите любой удобный способ. 
	
	Оплата
Выберите оптимальный способ оплаты.
Введите данные о себе: ФИО, адрес доставки, номер телефона. В поле «Комментарии к заказу» введите сведения, которые могут пригодиться курьеру, например: подъезды в доме считаются справа налево.
Проверьте правильность ввода информации: позиции заказа, выбор местоположения, данные о покупателе. Нажмите кнопку «Оформить заказ».
Наш сервис запоминает данные о пользователе, информацию о заказе и в следующий раз предложит вам повторить к вводу данные предыдущего заказа. Если условия вам не подходят, выбирайте другие варианты.

 
                                            
                                        