Комбинированные
Для использования в отдельных узлах и агрегатах, функционирующих под действием нагрузок с разнонаправленными векторами приложения востребованы комплекты (изделия) в которых одновременно используется несколько подшипников различных типов.
Подобные комплекты имеют наименование «комбинированный подшипник» и могут быть приобретены в компании «ПодшипникРУ». При этом заказчики имеют возможность выбора интересующей их продукции по бренду, геометрическим размерам и эксплуатационным характеристикам.
Общая информация о товаре
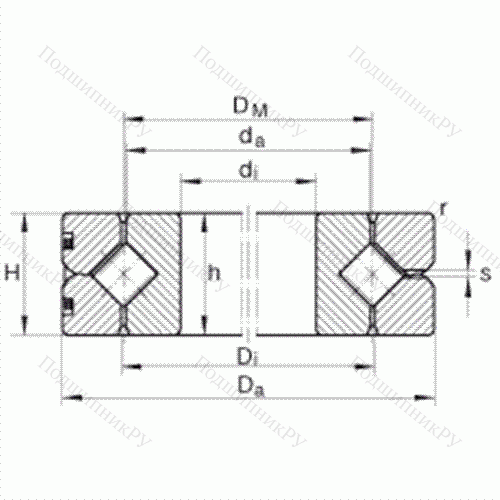
Обычно в комплект входит пара подшипников:
- Первый, радиальный (для восприятия аксиальных нагрузок);
- Второй, упорный, воспринимающий нагрузки с осевым вектором приложения.
Наиболее востребованными в группе комбинированных подшипников являются два блока. Первый включает комбинированные игольчатые, и состоит из игольчатого роликоподшипника и упорного (различных типов). Это могут быть цилиндрические роликоподшипники либо шарикоподшипники (упорно-радиальные, упорные либо изделия с 4-ёх точечным контактом.
Повышенным спросом пользуются несколько серий:
- NKIA 59 - игольчатый радиальный, в тандеме с радиально-упорным шарикоподшипником
- NKXR - игольчатый радиальный, в комплекте с упорным роликоподшипником цилиндрического типа;
- NKIB 59 - игольчатый радиальный в паре с шарикоподшипником, имеющим 4-ёх точечный контакт;
- NKX и NX - игольчатый радиальный в тандеме с упорным шарикоподшипником.
Во второй блок входят комбинированные роликоподшипники цилиндрического типа. В подобные комплекты входит два разных роликоподшипника с телами качения цилиндрического типа. Возможный вариант, один из них имеет ролики иной геометрии.
Пример. Серия NRT.






















